![Kit d'électrovanne [24 V CC ou 220 V CA] V-152L, 3/4 pouce](https://cdn.webshopapp.com/shops/76448/files/488670741/kahlenberg-kit-delectrovanne-24-v-cc-ou-220-v-ca-v.jpg)
![Kit d'électrovanne [24 V CC ou 220 V CA] V-152L, 3/4 pouce](https://cdn.webshopapp.com/shops/76448/files/488671015/kahlenberg-kit-delectrovanne-24-v-cc-ou-220-v-ca-v.jpg)
€846,-* Marchandises sur commande ; Europe 21 jours, Reste du monde 24 jours
Prix unitaire: €846,00 / Article
* Taxes incluses Sans les Frais d'expédition
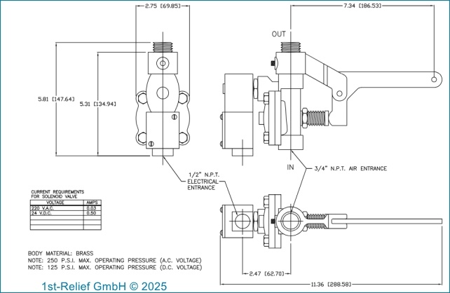
Ce kit de vanne solénoïde normalement fermée est idéal pour une utilisation marine et a été spécialement sélectionné pour être utilisé avec les klaxons Kahlenberg en fonction des exigences de débit d'air avec 24 VDC ou 220 VAC.... Afficher plus


![Kit d'électrovanne [24 V CC ou 220 V CA] V-152L, 3/4 pouce](https://cdn.webshopapp.com/shops/76448/files/488670741/162x162x2/kahlenberg-kit-delectrovanne-24-v-cc-ou-220-v-ca-v.jpg)
![Kit d'électrovanne [24 V CC ou 220 V CA] V-152L, 3/4 pouce](https://cdn.webshopapp.com/shops/76448/files/488671015/162x162x2/kahlenberg-kit-delectrovanne-24-v-cc-ou-220-v-ca-v.jpg)


![Kit d'électrovanne [12 VDC] pour S-330 et D-330](https://cdn.webshopapp.com/shops/76448/files/50578948/170x120x2/image.jpg)
![Kit compresseur-réservoir [24 VDC] Fonctionnement continu](https://cdn.webshopapp.com/shops/76448/files/50578734/170x120x2/image.jpg)
![Kit compresseur-réservoir [12 VDC] Fonctionnement continu](https://cdn.webshopapp.com/shops/76448/files/50578610/170x120x2/image.jpg)