



















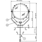
Este Searchlight premium de alta potencia con clase de protección IP 56 se utiliza con mayor frecuencia en el mercado de alta mar. Diámetro del reflector 430 mm, "Tamaño compacto", "Peso ligero" y control de enfoque fácil de operar. Disponible para ajustar la condición del haz girando la perilla de control de enfoque ubicada en la parte posterior del tambor del reflector. El control remoto se activa cuando se enciende el interruptor de alimentación del panel de control remoto. Las funciones Arriba, Abajo, Derecha e Izquierda se operan mediante el interruptor del panel de control remoto. Para arriba, mueva el interruptor de control hacia arriba, para abajo, mueva el interruptor de control hacia abajo y girando el interruptor de control, mueva hacia la izquierda y hacia la derecha. Este reflector también está disponible en otras variantes (por ejemplo, otros voltajes de entrada). Consulte los productos relacionados a continuación.
There are no reviews written yet about this product..
Aquí puede ver artículos comparables comprados por otros clientes.