







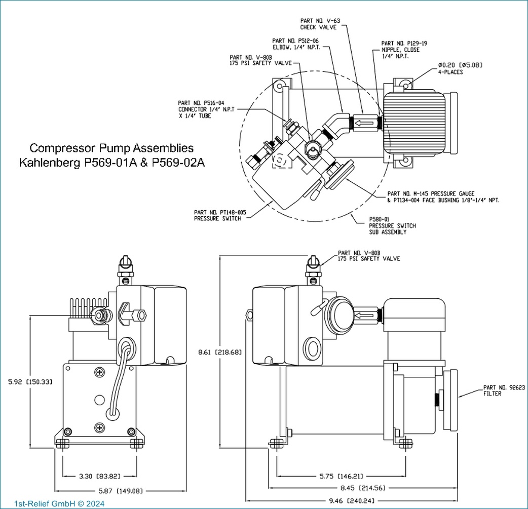
Ersatz-Kompressorpumpeneinheit inklusive Druckschalter, Sicherheitsventil und Manometer. Ersetzt die ursprünglich in den Kompressor-Kits P449-04, P449-10, P449-18, P449-24, P449-34 und P449-35 enthaltenen Pumpeneinheiten. Diese Pumpeneinheit ersetzt die Kompressorpumpeneinheiten P569-02A. Überprüfen Sie die Abmessungen und die Position der Befestigungslöcher mit der vorhandenen Pumpeneinheit, die Sie ersetzen möchten. Diese Pumpeneinheit ist etwas größer als Vorgängermodelle aus älteren Kits. Sie ist für die Kahlenberg-Drucklufthörner Modelle S-0A, D-0A und T-0A geeignet.
Es wurden noch keine Bewertungen für dieses Produkt abgegeben..
Hier sehen Sie vergleichbare Artikel, die von anderen Kunden gekauft wurden.